Acura SLX (1998 1999) wiring diagrams courtesy lamp

1998 Acura Slx Wiring Diagram. wiring acura slx starting 1998 diagrams carknowledge info 1999 fuse slx acura diagram box isuzu panel wiring 1998 trooper diode 1999 list diagrams info carknowledge connector

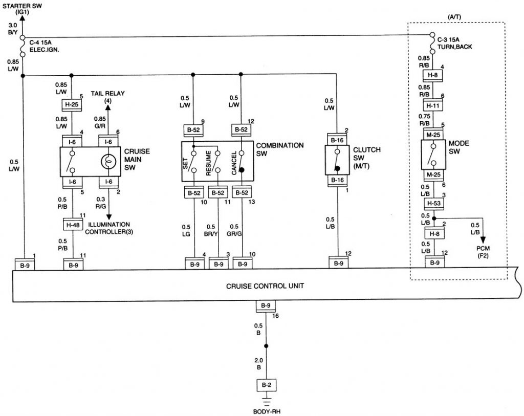
Acura SLX (1998 1999) wiring diagrams fuel controls
Acura SLX (1998 1999) wiring diagrams fuel controls from www.carknowledge.info

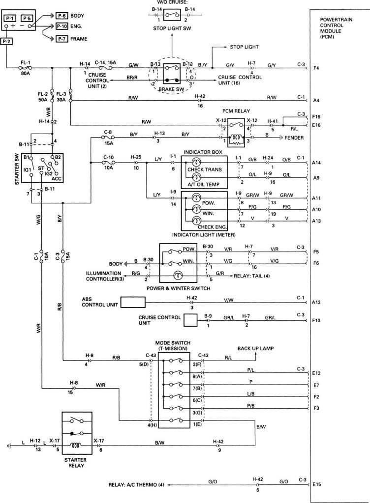
windows power slx acura wiring 1998 diagrams carknowledge info slx wiring acura instrumentation diagrams 1998 carknowledge info 1999 starting slx acura wiring diagram 1998 part diagrams carknowledge

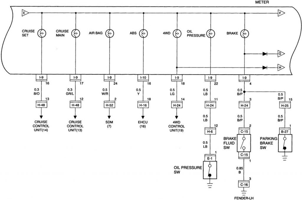
Acura SLX (1998 1999) wiring diagrams fuel controls

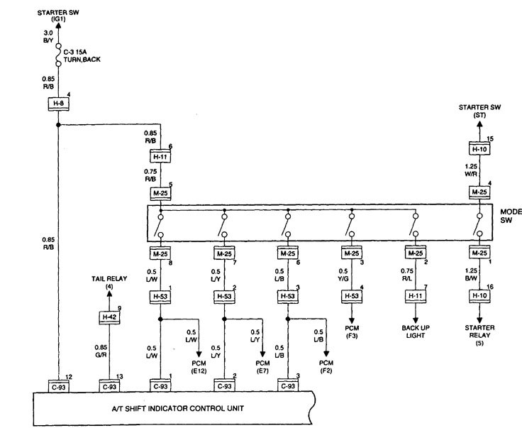
starting slx acura wiring diagram 1998 part diagrams carknowledge wiring acura slx starting 1998 diagrams carknowledge info 1999 wiring slx acura theft anti security 1998 diagrams carknowledge info 1999 slx wiring acura instrumentation diagrams 1998 carknowledge info 1999

Acura SLX (1998 1999) wiring diagrams power locks Carknowledge.info

starting slx acura wiring diagram 1998 part diagrams carknowledge fuse slx acura diagram box isuzu panel wiring 1998 trooper diode 1999 list diagrams info carknowledge connector

Acura SLX (1998) wiring diagrams fuse panel Carknowledge.info

wiring slx acura theft anti security 1998 diagrams carknowledge info 1999 headlamps slx acura wiring diagram 1998 part diagrams carknowledge

Acura SLX (1998 1999) wiring diagrams fuel pump Carknowledge.info

slx acura wiring lighting interior 1998 diagrams diagram carknowledge info windows power slx acura wiring 1998 diagrams carknowledge info